河南雙誠環境科技有限公司是做垃圾焚燒爐、廢液焚燒爐、廢氣焚燒爐。公司產品特點:1、設備體積小,節省投資成本,運行方便,檢修管理;2、自動給料及出灰系統,操作方便,減···
河南雙誠環境科技有限公司是一家生產單效、多效蒸發器的廠家。 蒸發器主要性能: 1、密閉型循環:冷卻盤管、保溫用套管等密閉回路的循環裝置。 2、···
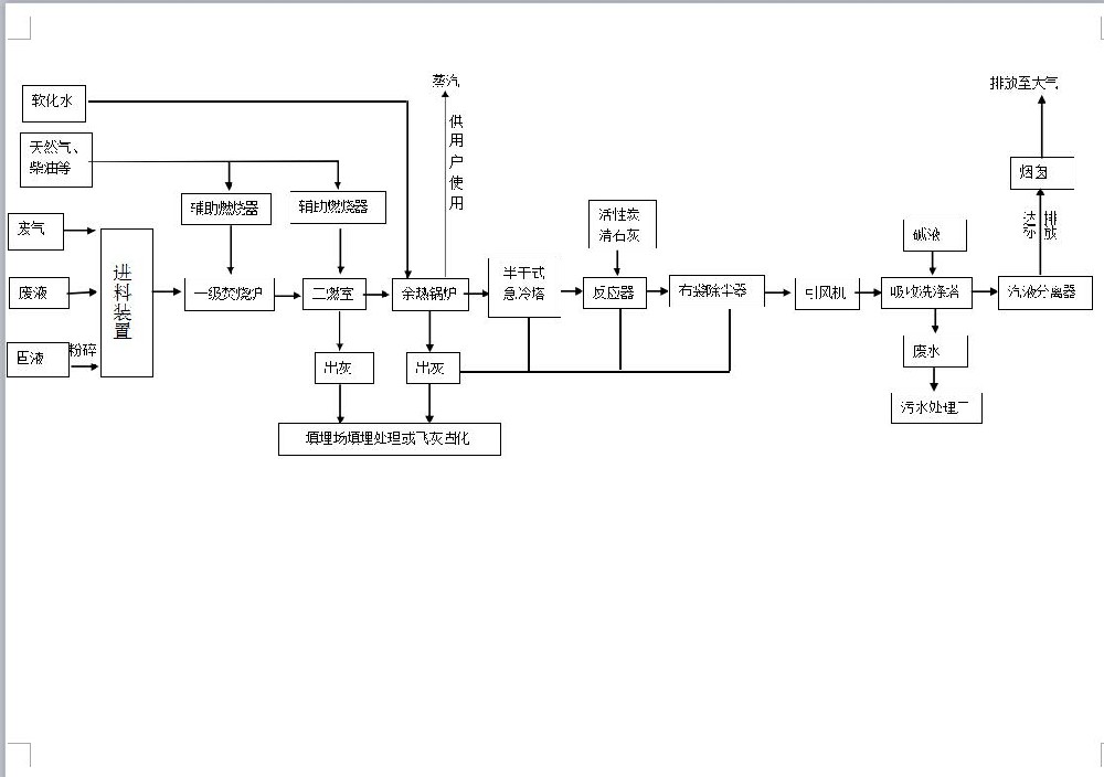
河南雙誠環境科技回轉窯焚燒爐的工藝與流程 危險廢物回轉窯焚燒爐廢物用密閉卡車運到燃燒廠儲庫,經過進料組織輸送入反轉窯進料斗,進料斗下設有推料組織及鎖風設備,···
河南雙誠環境科技有限公司的所有聚乙烯產品全部都是用滾塑高科技設備制造而成。滾塑工藝的特點是:1、滾塑磨具成本低:同等規格大小的產品,成本約是吹塑、注塑模具成本的1···
垃圾焚燒爐系統有哪些要求? 從焚燒爐投資和運行經濟性的角度來看,其最低焚燒量應為3 t/h到20~25t/h。因此,現代垃圾層燃焚燒系統應該滿足以下要求: (1)撥火作···
Copyright 2022 河南雙誠環境 All Rights Reserved. 地址:河南省新鄉市新鄉經濟技術開發區廣源路和榆東街交叉口往南210米路西 備案號 豫ICP備13023472號-1 XML地圖 | 豫公網安備 41070402000132號